Сповіщувач пожежний оптичний точковий СПД-3.2 призначений для виявлення в закритих приміщеннях різних будівель і споруд займань, що супроводжуються появою диму. При виявленні диму відбувається вироблення сигналу, що інформує про спалах шляхом розмикання контактів вбудованого реле. Вихідний сигнал може бути поданий на цифровий вхід пристрою моніторингу.
Технічні характеристики
Напруга живлення: 12 ± 3 В
Струм споживання в черговому режимі, не більше: 0,095 мА
Максимальний струм споживання в режимі «ПОЖЕЖА», не більше: 22 мА
Максимальна напруга, що комутується контактами реле, не більше: 36 В
Максимальний струм, що комутується контактами реле, не більше: 100 мА
Опір розімкнених контактів реле, не менше: 500 кОм
Опір замкнутих контактів реле, не більше: 5 Ом
Інерційність, не більше: 10 с
Габаритні розміри: D100х48 мм
Маса, не більше: 0,15 кг
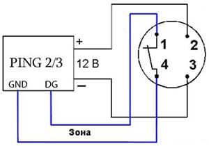
Схема підключення

При підключенні до пристрою PING3-PWR2 напругу живлення +12В можна взяти з контакту 1 роз'єму EXT.
Датчики СПД-3.2 сумісні з пристроями: PING2(-knock), PING2-L, PING3(-knock), PING3-PWR1, PING3-PWR2