Украина, г.Днепр

Тел. +38 (096) 115-64-64

manager@equicom.ua - продажа оборудования

info@equicom.ua - общие и технические вопросы

УКР РУС        

Оборудование для интернет-провайдеров

   
 
 
 
 
 
 
 

продукция, снятая с производства > приборы КТ1

Диагностические приборы КТ1

Прибор предназначен для проверки работоспособности сегментов сетей Ethernet методом отправки ICMP пакетов "PING" - "пингования" удаленных IP-адресов (до двух направлений одновременно) с индикацией процента потерь пакетов, а также для диагностики работы устройств сетевого мониторинга (или "пингеров") PING1 и PING2. Он компактный, простой в обращении, имеет прочный корпус, мембранную клавиатуру и жидкокристаллический индикатор с подсветкой. Прибор позволяет решать много задач, возникающих при эксплуатации "домашних" сетей.

Выпускались следующие версии прибора:

КТ1.2

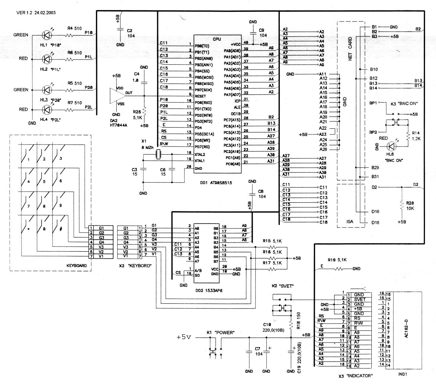
Первоначальный вариант прибора. Идея создания данного устройства была навеяна известной конструкцией PICOWEB. Как и в этой конструкции, в приборе КТ1.2 использована NE-2000 - совместимая сетевая карта ISA на чипе RTL8019. Реализована упрощенная эмуляция шины ISA, основой устройства является микроконтроллер AVR-90S8515 фирмы Atmel. ЖКИ индикатор - Ampire AC162-D.

 

Техническая документация: 118Kb

КТ1.3

Улучшена схема электропитания. Полностью отказались от варианта прибора с BNC-коннектором. В состав прибора по-прежнему входила компьютерная сетевая карта с шиной ISA на чипе RTL8019, из-за чего постоянно возникали проблемы с комплектацией. По этой причине для желающих самостоятельно изготовить прибор предлагался набор комплектующих - все что угодно, кроме сетевой карты. Схема прибора здесь. Проблема с сетевыми картами и низкая технологичность изготовления металлического корпуса явились причиной изменения конструктива.

 

Техническая документация: 114Kb

КТ1.4

Изменен конструктив, в состав прибора больше не входит компьютерная сетевая карта. Прибор имеет пластиковый корпус.

 

Техническая документация:

firmware v5.4 - 139Kb

firmware v4n - 133Kb

 

История версий программного обеспечения - KT1_history.txt